带bq2400x控制器的锂离子电池充电器的示意图
资料来源:dlwlmlj时间:2011-03-18
TI bq2400x(bq24001 / bq24002 / bq240O3)是用于单节锂离子电池的线性充电管理IC。
bq2400x系列集成了肖特基二极管和功率FET,并具有反向阻断和热保护电路,可最大程度地减少外部组件的数量。
bq2400x采用20引脚TSSOP PowerPAD封装,结温范围为-40至125°C,环境工作温度为-20至70°C。
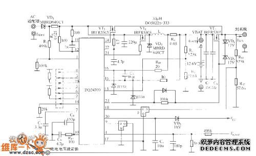
图(a)显示了使用bq2400x IC系列作为控制器的锂离子电池充电器的电路。
使用bq2400x作为控制器的锂离子电池充电器电路
电路工作原理:Vcc充电器的电源电压为4。
5-10V,K1连接到适配器输出。
带有反向阻断二极管的功率FET内部连接在IC的IN输入和OUT输出引脚之间。
如图9(b)所示,K9(1、2)和K10(1)分别连接到锂离子电池和NTC热敏电阻,以测量电池温度。
R3和R4是负载电流检测电阻(由ISNC IC引脚检测),用于设置负载电流。
当R4关断时,充电电流仅由R3确定。
当R3 = 0时。
1Ω时的充电电流约为1A。
充电器的输出电压通过R9电阻反馈到VSENSE IC引脚,并且通过内部电路将输出电压设置为4。
1V(4。
2V)±1%精度
bq2400x支持带有碳或石墨阳极的单节锂离子电池,并通过VSEL引脚(4)外部的K6选择充电调节电压。
1V或4。
2V)。
将IC IN引脚连接到K5的端子1将启用IC。当EN引脚接地(通过连接K5的端子5)时,低功耗待机模式IC被激活。
APG / THM IC引脚是适配器的“电源正常”模式输入或热敏电阻温度检测输入,由K2选择。
当使用APG / THM脚作为感应电源电压Vcc时,这是通过一个电阻分压器完成的,该电阻分压器通过RI和R2对VA和Vcc?R1 /(R1 + R2)采样。
仅当系统输入电压在IC设置的范围内时才允许充电。
当K2选择“热敏电阻”模式时,IC使用由外部热敏电阻NTC和R5,R6组成的电阻分压器连续监视电池温度。
将APG / THM IC引脚上检测到的电压与内部窗口比较器阈值(VTP1和VTP2)进行比较,以确定是否已加载。
如果电池电压低于IC的低电压阈值,则使用慢速充电模式。
IC具有22分钟的预处理定时器。
在预处理阶段之后,IC对电池执行恒定电流充电,并保持恒定电流充电状态,直到电池达到充电调节电压为止。
当充电电压达到调节电压时,进入恒压充电模式,并通过ICRSEL引脚上的外部K7选择充电时间。
如果TMRSEL处于浮动状态(K7设置为2),则充电时间为3小时。当引脚接地(K7设置为3)或Vcc设置(K7设置为1)时,分别选择6h和4。
5小时计时器
可以通过检测最小负载电流来终止充电。
在恒压充电阶段,当充电电压降至设定水平时,会在22分钟后停止充电。
充电状态由LED指示。
如果IC使用bq24001,则不使用VD2,仅显示VD1。
如果IC使用bq24003,则仅需要一个双色LED显示屏(VD2)。
如果IC使用bq24002,则必须用两个LED(VD1和VD2)显示。请参阅表。
表bq24002中的负载状态表明,当IC结温达到165°C时,进入热关断条件。
当结温降至155°C以下时,IC重新启动。
资料来源:风雪

上一篇:曾母暗沙名字的由来是什么?