365bet提款时间

当前位置:主页 > 365bet提款时间 >
  • 你为什么吃草药?

    2019-10-07你为什么吃草药?

    总结 在许多情况下,医生说,无论他们生病或身体状况恶劣,去医院都不能吃辛辣食物。另一方面,我们担心这些食物可能使我们生病。另一方面,降解恐怕这类食物会影响功效,特别...

  • 您的Ray Sun妻子看到父亲和女儿的旅行照片,3岁的

    2019-10-07您的Ray Sun妻子看到父亲和女儿的旅行照片,3岁的

    发送验证码 立即绑 登录成功 报告原因:广告,营销区域,攻击,色情,低俗的人身攻击,欺诈,骚扰,谣言,反应和其他取消被发送到东方信息娱乐频道。-0423:52小李飞刀13标记:娱...

  • 广东有牌车在哪里?

    2019-10-07广东有牌车在哪里?

    全部展开 广东代表广东省的车牌。广东我牌一般都是虚构的话剧。实际上,“ I”并不常用,因为它很容易与阿拉伯数字“ 1”混淆。 车牌号是识别车辆ID的车牌号,并且车牌号类似于个...

  • 双飞人文:什么是柠檬固醇?包含高性能驱蚊剂

    2019-10-07双飞人文:什么是柠檬固醇?包含高性能驱蚊剂

    驱蚊剂和DEET已为许多人所熟悉,市场上许多驱蚊产品被认为是基于它们的。 然而,近年来,关于驱蚊剂的长期使用的评论越来越多,并且DEET的使用对人体有害。许多人开始怀疑应该使...

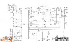
  • [图]使用bq2400x作为锂离子电池充电器控制器的电

    2019-10-07[图]使用bq2400x作为锂离子电池充电器控制器的电

    带bq2400x控制器的锂离子电池充电器的示意图 资料来源:dlwlmlj时间:2011-03-18 TI bq2400x(bq24001 / bq24002 / bq240O3)是用于单节锂离子电池的线性充电管理IC。 bq2400x系列集成了肖特基二极管和...

  • 曾母暗沙名字的由来是什么?

    2019-10-06曾母暗沙名字的由来是什么?

    全部展开 全年位于地表以下20米以上的曾母浅滩曾被用作中国领土南端的唯一南部领水。如果将其定义为一个点,然后向南行驶12海里,则定义为东海岸是中国。 这不仅需要非常强大的...